铝合金框架结构总拼和安装检验批质量验收记录
一、检验批划分
单层铝合金安装工程应按变形缝或空间刚度单元等划分成一个或若干个检验批,多层铝合金结构安装工程应按楼层或施工段划分为一个或若干个检验批。
二、主控项目
10.3.1 铝合金构件运输、堆放和吊装等造成的变形及涂层脱落,应进行矫正和修补。
检查数量:按构件数抽查10%,且不应少于3个。
检验方法:用拉线、钢尺现场实测或观察。
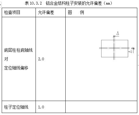
10.3.2 铝合金结构柱子安装的允许偏差应符合表10.3.2的规定。
检查数量:标准柱全部检查;非标准柱抽查10%,且不应少于3根。
检验方法:用全站仪或经纬仪和钢尺实测。
10.3.3 设计要求顶紧的节点,接触面不应少于75%紧贴,且边缘最大间隙不应大于0.8mm。
检查数量:按节点数抽查10%,且不应小于3个。
检验方法:用钢尺及0.3mm和0.8mm厚的塞尺现场实测。
10.3.4 铝合金屋(托)架、桁架、梁及受压杆件的垂直度和侧向弯曲矢高的允许偏差应符合表10.3.4的规定。
检查数量:按同类构件数抽查10%,且不应小于3个。
检验方法:用吊线、拉线、经纬仪和钢尺现场实测。
表10.3.4 铝合金屋(托)架、桁架、梁及受压杆件垂直度和侧向弯曲矢高的允许偏差(mm)
注: h为截面高度,L为跨度,f为弯曲矢高。
10.3.5 主体结构的整体垂直度和整体平面弯曲的允许偏差应符合表10.3.5的规定。
检查数量:对主要立面全部检查。对每个所检查的立面,除两列角柱外,尚应至少选取一列中间柱。
检验方法:采用经纬仪、全站仪等测量。

H为主题结构高度,L为主题结构长度、跨度。
三、一般项目
10.3.6 铝合金柱等主要构件的中心线及标高基准点等标记应齐全。
检查数量:按同类构件数抽查10%,且不应少于3件。
检验方法:观察检查。
10.3.7 当铝合金结构安装在混凝土柱上时,其支座中心对定位轴线的偏差不应大于10mm。
检查数量:按同类构件数抽查10%,且不应少于3榀。
检验方法:用拉线和钢尺现场实测。
10.3.8 单层铝合金结构中铝合金柱安装的允许偏差应符合本规范表E.0.1的规定。
检查数量:按铝合金柱数抽查10%,且不应小于3件。
检验方法:见本规范表E.0.1。
10.3.9 檩条、墙架等次要构件安装的允许偏差应符合本规范表E.0.2的规定。
检查数量:按同类构件数抽查10%,且不应小于3件。
检验方法:见本规范表E.0.2。
10.3.10 铝合金平台、铝合金梯、栏杆应符合国家现行有关标准的规定。铝合金平台、铝合金梯和防护栏杆安装的允许偏差应符合本规范表E.0.3的规定。
检查数量:按铝合金平台总数抽查10%,栏杆、铝合金梯按总长度各抽查10%,但铝合金平台不应少于1个,栏杆不应少于5m,铝合金梯不应少于1跑。
检验方法:见本规范表E.0.3。
10.3.11 多层铝合金结构中构件安装的允许偏差应符合本规范表E.0.4的规定。
检查数量:按同类构件或节点数抽查10%。其中柱和梁各不应少于3件,主梁与次梁连接节点不应少于3个,支承压型金属板的铝合金梁长度不应少于5m。
检验方法:见本规范表E.0.4。
10.3.12 多层铝合金结构主体结构总高度的允许偏差应符合本规范表E.0.5的规定。
检查数量:按标准柱列数抽查10%,且不应少于4列。
检验方法:采用全站仪、水准仪和钢尺实测。
10.3.13 现场焊缝组对间隙的允许偏差应符合表10.3.13的规定。
检查数量:按同类节点数抽查10%,且不应少于3个。
检验方法:尺量检查。
表10.3.13 现场焊缝组对间隙的允许偏差(mm)
|
项 目
|
允许偏差
|
|
无垫板间隙
|
+3.0,0.0
|
|
有垫板间隙
|
+3.0,-2.0
|
10.3.14 铝合金结构表面应干净,结构主要表面不应有疤痕、泥沙等污垢。
检查数量:按同类构件数抽查10%,且不应少于3件。
检验方法:观察检查。