钢结构(多层及高层结构安装)分项工程检验批质量验收记录
验收依据:《钢结构工程施工质量验收标准》GB 50205-2020
检验批划分:
1 钢结构安装工程可按变形缝或空间稳定单元等划分成一个或若干个检验批,也可按楼层或施工段等划分为一个或若干个检验批。地下钢结构可按不同地下层划分检验批。
一、主控项目:
10.2.1 建筑物定位轴线、基础上柱的定位轴线和标高应满足设计要求。当设计无要求时应符合表10.2.1的规定。
检查数量:全数检查。
检验方法:用经纬仪、水准仪、全站仪和钢尺现场实测。
表10.2.1 建筑物定位轴线、基础上柱的定位轴线和标高的允许偏差(mm)
|
项 目 |
允许偏差 |
图 例 |
|
建筑物定位轴线 |
l / 20000,且不应大于3.0 |
|
|
基础上柱的 定位轴线 |
1.0 |
|
|
基础上柱底标高 |
±3.0 |
|
10.2.2 基础顶面直接作为柱的支承面或以基础顶面预埋钢板或支座作为柱的支承面时,其支承面、地脚螺栓(锚栓)位置的允许偏差应符合表10.2.2的规定。
检查数量:按柱基数抽查10%,且不应少于3个。
检验方法:用经纬仪、水准仪、全站仪、水平尺和钢尺实测。
表10.2.2 支承面、地脚螺栓(锚栓)位置的允许偏差(mm)
|
项 目 |
允许偏差 |
|
|
支承面 |
标高 |
±3.0 |
|
水平度 |
l / 1000 |
|
|
地脚螺栓(锚栓) |
螺栓中心偏移 |
5.0 |
|
预留孔中心偏移 |
10.0 |
|
10.2.3 采用座浆垫板时,座浆垫板的允许偏差应符合表10.2.3的规定。
检查数量:按柱基数抽查10%,且不应少于3个。
检验方法:用经纬仪、水准仪、全站仪、水平尺和钢尺现场实测。
表10.2.3 座浆垫板的允许偏差(mm)
|
项 目 |
允许偏差 |
|
顶面标高 |
0 -3.0 |
|
水平度 |
l / 1000 |
|
平面位置 |
20.0 |
注:l为垫板长度。
10.2.4 采用插入式或埋入式柱脚时,杯口尺寸的允许偏差应符合表10.2.4的规定。
检查数量:按基础数抽查10%,且不应少于3处。
检验方法:观察和尺量检查。
表10.2.4 杯口尺寸的允许偏差(mm)
|
项 目 |
允许偏差 |
|
底面标高 |
0 -5.0 |
|
杯口深度 H |
±5.0 |
|
杯口垂直度 |
h / 1000,且不大于10.0 |
|
柱脚轴线对柱定位轴线的偏差 |
1.0 |
注:h为底层柱的高度。
10.3.1 钢柱几何尺寸应满足设计要求并符合本标准的规定。运输、堆放和吊装等造成的钢构件变形及涂层脱落,应进行矫正和修补。
检查数量:按钢柱数抽查10%,且不应少于3个。
检验方法:用拉线、钢尺现场实测或观察。
10.3.2 设计要求顶紧的构件或节点、钢柱现场拼接接头接触面不应少于70%密贴,且边缘最大间隙不应大于0.8mm。
检查数量:按节点或接头数抽查10%,且不应少于3个。
检验方法:用钢尺及0.3mm和0.8mm厚的塞尺现场实测。
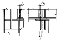
10.3.4 钢柱安装的允许偏差应符合表10.3.4的规定。
检查数量:按钢柱数抽查10%,且不应少于3件。
检验方法:应符合表10.3.4的规定。
表10.3.4 钢柱安装的允许偏差(mm)
|
项 目 |
允许偏差 |
图 例 |
检验方法 |
||
|
柱脚底座中心线对定位轴线的偏移△ |
5.0 |
|
用吊线和钢尺等实测 |
||
|
柱子定位轴线△ |
1.0 |
|
— |
||
|
柱基准点标高 |
有吊车梁的柱 |
+3.0 -5.0 |
|
用水准仪等实测 |
|
|
无吊车梁的柱 |
+5.0 -8.0 |
||||
|
弯曲矢高 |
H / 1200,且不大于15.0 |
— |
用经纬仪或拉线和钢尺等实测 |
||
|
柱轴线垂直度 |
单层柱 |
H / 1000,且不大于25.0 |
|
用经纬仪或吊线或钢尺等实测 |
|
|
多层柱 |
单节柱 |
H / 1000,且不大于10.0 |
|||
|
柱全高 |
35.0 |
||||
|
钢柱安装偏差 |
3.0 |
|
用钢尺 等实测 |
||
|
同一层柱的各柱顶高度差△ |
5.0 |
|
用全站仪、水准仪等实测 |
||
10.4.1 钢屋(托)架、钢梁(桁架)的几何尺寸偏差和变形应满足设计要求并符合本标准的规定。运输、堆放和吊装等造成的钢构件变形及涂层脱落,应进行矫正和修补。
检查数量:按钢梁数抽查10%,且不应少于3个。
检验方法:用拉线、钢尺现场实测或观察。
10.4.2 钢屋(托)架、钢桁架、钢梁、次梁的垂直度和侧向弯曲矢高的允许偏差应符合表10.4.2的规定。
检查数量:按同类构件数抽查10%,且不应少于3个。
检验方法:用吊线、拉线、经纬仪和钢尺现场实测。
表10.4.2 钢屋(托)架、钢桁架、梁垂直度和侧向弯曲矢高的允许偏差(mm)
|
项目 |
允许偏差 |
图 例 |
|
|
跨中的 垂直度 |
h / 250,且不大于15.0 |
|
|
|
侧向弯曲矢高 f |
l ≤ 30m |
l / 1000,且不大于10.0 |
|
|
30m<l ≤60m |
l / 1000,且不大于30.0 |
||
|
L >60m |
l / 1000,且不大于50.0 |
||
10.5.1 弯扭、不规则构件连接节点除应符合本标准规定外,尚应满足设计要求。运输、堆放和吊装等造成的钢构件变形及涂层脱落,应进行矫正和修补。
检查数量:按同类构件数抽查10%,且不应少于3个。
检验方法:用拉线、吊线、钢尺、经纬仪等现场实测或观察。
10.5.2 构件与节点对接处的允许偏差应符合表10.5.2的规定。
检查数量:按同类构件数抽查10%,且不应少于3件,每件不少于3个坐标点。
检验方法:用吊线、拉线、经纬仪和钢尺、全站仪现场实测。
表10.5.2 构件与节点对接处的允许偏差(mm)
|
项 目 |
允许偏差 |
图 例 |
|
箱形(四边形、多边形)截面、异型截面对接 | L1-L2 | |
≤3.0 |
|
|
异型锥管、椭圆管截面对接处 △ |
≤3.0 |
|
10.5.3 同一结构层或同一设计标高异型构件标高允许偏差应为5mm。
检查数量:按同类构件数抽查10%,且不应少于3件,每件不少于3件坐标点。
检验方法:用吊线、拉线、经纬仪和钢尺、全站仪现场实测。
10.6.1 钢板剪力墙的几何尺寸应满足设计要求并符合本标准的规定。运输、堆放和吊装等造成构件变形和涂层脱落,应进行矫正和补修。
检查数量:按进场构件数抽查10%,且不应少于3件。
检验方法:用拉线、钢尺现场实测或观察。
10.6.2 钢板剪力墙对口错边、平面外挠曲应符合表10.6.2的规定。
检查数量:按构件数抽查10%,且不应少于3件。
检验方法:用钢尺现场实测或观察。
表10.6.2 钢板剪力墙安装允许偏差(mm)
|
项 目 |
允许偏差 |
图 例 |
|
钢板剪力墙 对口错边△ |
t / 5,且不大于3 |
|
|
钢板剪力墙 平面外挠曲 |
l / 250+10,且不大于30 (l取l1和l2中较小值) |
|
10.7.1 支撑、檩条、墙架、次结构等构件应满足设计要求并符合本标准的规定。运输、堆放和吊装等造成的钢构件变形及涂层脱落,应进行矫正和修补。
检查数量:按构件数抽查10%,且不应少于3个。
检验方法:用拉线、钢尺现场实测或观察。
10.8.1 钢栏杆、平台、钢梯等构件尺寸偏差和变形,应满足设计要求并符合本标准的规定。运输、堆放和吊装等造成的钢构件变形和及涂层脱落,应进行矫正和修补。
检查数量:按构件数抽查10%,且不应少于3个。
检验方法:用拉线、钢尺现场实测或观察。
10.8.2 钢平台、钢梯、栏杆安装应符合现行国家标准《固定式钢梯及平台安全要求 第1部分:钢直梯》GB 4053.1、《固定式钢梯及平台安全要求 第2部分:钢斜梯》GB 4053.2和《固定式钢梯及平台安全要求 第3部分:工业防护栏杆及钢平台》GB 4053.3的规定。钢平台 、钢梯和防护栏杆安装的允许偏差应符合表10.8.2的规定。
检查数量:按钢平台总数抽查10%,栏杆、钢梯按总长各抽查10%,但钢平台不应少于1个,栏杆不应少于5m,钢梯不应少于1跑。
检验方法:应符合表10.8.2的规定。
表10.8.2 钢平台、钢梯和防护栏杆安装的允许偏差(mm)
|
项 目 |
允许偏差 |
检验方法 |
|
平台高度 |
±10.0 |
用水准仪检查 |
|
平台梁水平度 |
l / 1000,且不大于10.0 |
用水准仪检查 |
|
平台支柱垂直度 |
H / 1000,且不大于5.0 |
用经纬仪或吊线和钢尺检查 |
|
承重平台梁侧向弯曲 |
l / 1000,且不大于10.0 |
用拉线和钢尺检查 |
|
承重平台梁垂直度 |
h / 250,且不大于10.0 |
用吊线和钢尺检查 |
|
直梯垂直度 |
H′/ 1000,且不大于15.0 |
用吊线和钢尺检查 |
|
栏杆高度 |
±5.0 |
用钢尺检查 |
|
栏杆立柱间距 |
±5.0 |
用钢尺检查 |
注:l为平台梁长度;H为平台支柱高度;h为平台梁高度;H′为直梯高度。
10.9.1 主体钢结构整体立面偏移和整体平面弯曲的允许偏差应符合表10.9.1的规定。
检查数量:对主要立面全部检查。对每个所检查的立面,除两列角柱外,尚应至少选取一列中间柱。
检验方法:采用经纬仪、全站仪、GPS等测量。
表10.9.1 钢结构整体方面偏移和整体平面弯曲的允许偏差(mm)
|
项目 |
允许偏差 |
图 例 |
|
|
主体结构的整体立面偏移 |
单层 |
H / 1000,且不大于25.0 |
|
|
高度60m以下的多高层 |
(H / 2500+10),且不大于30.0 |
||
|
高度60m至100m的高层 |
(H / 2500+10),且不大于50.0 |
||
|
高度100m以上的高层 |
(H / 2500+10),且不大于80.0 |
||
|
主体结构的整体 平面弯曲 |
l / 1500,且不大于50.0 |
||
二、一般项目:
10.2.6 地脚螺栓(锚栓)尺寸的偏差应符合表10.2.6的规定。
检查数量:按基础数抽查10%,且不应少于3处。
检验方法:用钢尺现场实测。
表10.2.6 地脚螺栓(锚栓)尺寸的允许偏差(mm)
|
螺栓(锚栓)直径 |
项 目 |
|
|
螺栓(锚栓)外露长度 |
螺栓(锚栓)螺纹长度 |
|
|
d ≤ 30 |
0 +1.2d |
0 +1.2d |
|
d > 30 |
0 +1.0d |
0 +1.0d |
10.3.3 钢柱等主要构件的中心线及标高基准点等标记应齐全。
检查数量:按同类构件或钢柱数抽查10%,且不应少于3件。
检验方法:观察检查。
10.3.4 钢柱安装的允许偏差应符合表10.3.4的规定。
检查数量:按钢柱数抽查10%,且不应少于3件。
检验方法:应符合表10.3.4的规定。
表10.3.4 钢柱安装的允许偏差(mm)
|
项 目 |
允许偏差 |
图 例 |
检验方法 |
||
|
柱脚底座中心线对定位轴线的偏移△ |
5.0 |
|
用吊线和钢尺等实测 |
||
|
柱子定位轴线△ |
1.0 |
|
— |
||
|
柱基准点标高 |
有吊车梁的柱 |
+3.0 -5.0 |
|
用水准仪等实测 |
|
|
无吊车梁的柱 |
+5.0 -8.0 |
||||
|
弯曲矢高 |
H / 1200,且不大于15.0 |
— |
用经纬仪或拉线和钢尺等实测 |
||
|
柱轴线垂直度 |
单层柱 |
H / 1000,且不大于25.0 |
|
用经纬仪或吊线或钢尺等实测 |
|
|
多层柱 |
单节柱 |
H / 1000,且不大于10.0 |
|||
|
柱全高 |
35.0 |
||||
|
钢柱安装偏差 |
3.0 |
|
用钢尺 等实测 |
||
|
同一层柱的各柱顶高度差△ |
5.0 |
|
用全站仪、水准仪等实测 |
||
10.3.6 钢柱表面应干净,结构主要表面不应有疤痕、泥沙等污垢。
检查数量:按同类构件数抽查10%,且不应少于3件。
检验方法:观察检查。
10.4.3 当钢桁架(或梁)安装在混凝土柱上时,其支座中心对定位轴线的偏差不应大于10mm;当采用大型混凝土屋面板时,钢桁架(或梁)间距的偏差不应大于10mm。
检查数量:按同类构件数抽查10%,且不应少于3榀。
检验方法:用拉线和钢尺现场实测。
10.4.4 钢吊车梁或直接承受动力荷载的类似构件,其安装的允许偏差应符合表10.4.4的规定。
检查数量:按钢吊车梁数抽查10%,且不应少于3榀。
检验方法:应符合表10.4.4的规定。
表10.4.4 钢吊车梁安装的允许偏差(mm)
|
项 目 |
允许偏差 |
图 例 |
检验方法 |
||
|
梁的跨中垂直度△ |
h / 500 |
|
用吊线和 钢尺检查 |
||
|
侧向弯曲矢高 |
l / 1500,且不大于10.0 |
— |
用拉线和 钢尺检查 |
||
|
垂直上拱矢高 |
10.0 |
||||
|
两端支座中心位移△ |
安装在钢柱上时,对牛腿中心的偏移 |
5.0 |
|
||
|
安装在混凝土柱上时,对定位轴线的偏移 |
5.0 |
||||
|
吊车梁支座加劲板中心与柱子承压加劲板中心的偏移△1 |
t / 2 |
用吊线和 钢尺检查 |
|||
|
同跨间内同一横截面吊车梁顶面高差△ |
支座处 |
l / 1000,且不大于10.0 |
|
用经纬仪、水准仪和钢尺检查 |
|
|
其他处 |
15.0 |
||||
|
同跨间内同一横截面下挂式吊车梁底面高差△ |
10.0 |
|
|||
|
同列相邻两柱间吊车梁顶面高差△ |
l / 1500,且不大于10.0 |
|
用水准仪和 钢尺检查 |
||
|
相邻两吊车梁接头部位△ |
中心错位 |
3.0 |
|
用钢尺检查 |
|
|
上承式顶面高差 |
1.0 |
||||
|
下承式底面高差 |
1.0 |
||||
|
同跨间任意一截面的吊车梁中心跨距△ |
±10.0 |
|
用经纬仪和光电测距仪检查;跨度小时可用钢尺检查 |
||
|
轨道中心对吊车梁腹板轴线的偏移△ |
t / 2 |
|
用吊线和 钢尺检查 |
||
10.4.5 钢梁安装的允许偏差应符合表10.4.5的规定。
检查数量:按钢梁数抽查10%,且不应少于3个。
检验方法:应符合表10.4.5的规定。
表10.4.5 钢梁安装的允许偏差(mm)
|
项 目 |
允许偏差 |
图 例 |
检验方法 |
|
同一根梁两端顶面的高差△ |
l / 1000,且不大于10.0 |
|
用水准仪检查 |
|
主梁与次梁上表面的高差△ |
±2.0 |
|
用直尺和 钢尺检查 |
10.5.4 构件轴线空间位置偏差不应大于10mm,节点中心空间位置偏差不应大于15mm。
检查数量:按同类构件数抽查10%,且不应少于3件,每件不应少于3个坐标点。
检验方法:用吊线、拉线、经纬仪和钢尺、全站仪现场实测。
10.5.5 构件对接处截面的平面度偏差:截面边长l ≤3m时,偏差不应大于2mm;截面边长l >3m时,允许偏差不应大于l / 1500。
检查数量:按同类构件数抽查10%,且不应少于3件。
检验方法:用吊线、拉线、水平尺和钢尺现场实测。
10.7.3 墙架、檩条等次要构件安装的允许偏差应符合表10.7.3的规定。
检查数量:按同类构件数抽查10%,且不应少于3件。
检验方法:应符合表10.7.3的规定。
表10.7.3 墙架、檩条等次要构件安装的允许偏差(mm)
|
项 目 |
允许偏差 |
检验方法 |
|
|
墙架立柱 |
中心线对定位轴线的偏移 |
10.0 |
用钢尺检查 |
|
垂直度 |
H / 1000,且不大于10.0 |
用经纬仪或吊线和钢尺检查 |
|
|
弯曲矢高 |
H / 1000,且不大于15.0 |
用经纬仪或吊线和钢尺检查 |
|
|
抗风柱、桁架的垂直度 |
h / 250,且不大于15.0 |
用吊线和钢尺检查 |
|
|
檩条、墙梁的间距 |
±0.5 |
用钢尺检查 |
|
|
檩条的弯曲矢高 |
l / 750,且不大于12.0 |
用拉线和钢尺检查 |
|
|
墙梁的弯曲矢高 |
l / 750,且不大于10.0 |
用拉线和钢尺检查 |
|
10.9.2 主体钢结构总高度可按相对标高或设计标高进行控制。总高度的允许偏差应符合表10.9.2的规定。
检查数量:按标准柱列数抽查10%,且不应少于4列。
检验方法:采用全站仪、水准仪和钢尺实测。
表10.9.2 主体钢结构总高度的允许偏差(mm)
|
项目 |
允许偏差 |
图 例 |
|
|
用相对标高 控制安装 |
±∑(△h+△z+△w) |
|
|
|
用设计标高 控制安装 |
单层 |
H / 1000,且不大于20.0 -H / 1000,且不小于-20.0 |
|
|
高度60m以下的多高层 |
H / 1000,且不大于30.0 -H / 1000,且不小于-30.0 |
||
|
高度60m至100m的高层 |
H / 1000,且不大于50.0 -H / 1000,且不小于-50.0 |
||
|
高度100m以上的高层 |
H / 1000,且不大于100.0 -H / 1000,且不小于-100.0 |
||
注:△h为每节柱子长度的制造允许偏差;△z为每节柱子长度受荷载后的压缩值;△w为每节柱子接头焊缝的收缩值。